Description
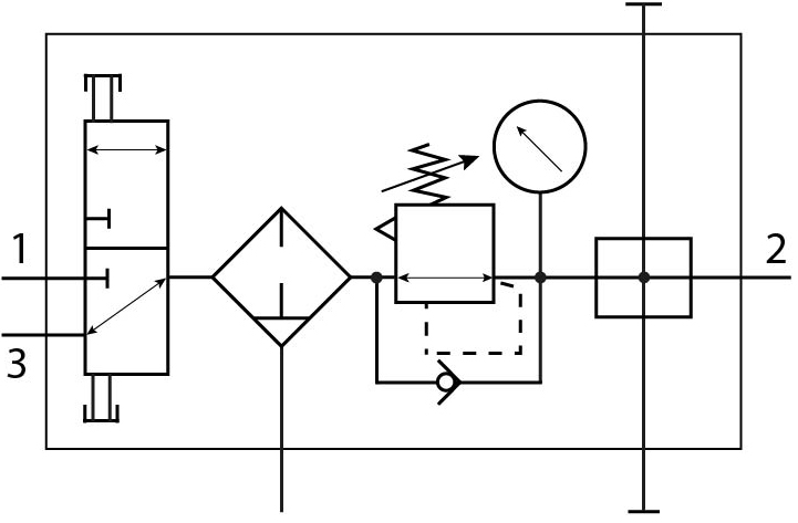
Комбинация блоков подготовки воздуха Festo LFR-1/4-DB-7-MINI-KB — компактное устройство, предназначенное для подготовки сжатого воздуха. Фильтр и регулятор давления в одном корпусе.
Ключевые особенности блоков подготовки воздуха LFR-DB
- обеспечивают эффективное отделение твердых частиц;
- хорошие регулировочные характеристики с минимальным гистерезисом;
- фильтры-регуляторы этой серии производятся с манометром или без него;
- с ручным или автоматическим отводом конденсата;
- настройка фиксируется блокировкой поворотной рукоятки.
Доступно несколько вариантов монтажа:
- трубный монтаж;
- через сквозные отверстия;
- с помощью монтажного кронштейна.
Корпус фильтров-регуляторов этой серии выполнен из усиленного полиамида, стакан — из поликарбоната. Материал уплотнений — нитриловая резина.
Основные характеристики
Наименование
Комбинация блоков подготовки воздуха
Технические характеристики
Диапазон регулировки давления
Максимальный объем конденсата
Функция контроллера
Постоянная выходного давления
Со вторичным сбросом
с обратным протоком
Без компенсации первичного давления
Максимальный гистерезис давления
Фиксатор привода
Замок (опционально)
Поворотная рукоятка с фиксацией
Максимальный стандартный расход (л/мин)
Массо-габаритные и монтажные характеристики
Тип крепления
Линейный монтаж. Со сквозным отверстием. С монтажными скобками
Особенности материалов
Материал корпуса
PA (Полиамид) с армированием
Материал уплотнения
NBR (Бутадиен-нитрильный каучук)
Материал уплотнений отсечного клапана
Замечания по материалу
Не содержит медь и тефлон
Условия эксплуатации
Максимальное рабочее давление
Минимальное рабочее давление
Температура рабочей среды
Температура окружающей среды
Сжатый воздух по ISO 8573-1:2010 [7:9:4]
Кожух стакана
Металлический кожух стакана
Примечание по рабочей среде
Операция смазывания невозможна
Чистота воздуха на выходе
Сжатый воздух в соответствии с ISO8573-1:2010 [7:8:4]
1 – Низкая стойкость к коррозии
Комбинации блоков