Description
самовозврат с помощью управляющего электрического сигнала
3.300 л/мин
Кубическая форма
по EN 175301-803
Расположение контактов тип С по EN 175301-803
4-пин
M12x1
NEMA 4
NBR (Бутадиен-нитрильный каучук)


| Weight | 650.9 g |
|---|---|
| Dimensions | 180.0000 × 100.0000 × 45.0000 mm |
| Стойкость к вибрации | Тест траспортного применения на уровне жесткости 1 в соответствии с FN 942017-4 and EN 60068-2-6 |
| Сопротивление ударной нагрузке | Шоковый тест с уровнем опасности 2 в соответствии с FN 942017-5 и EN 60068-2-27 |
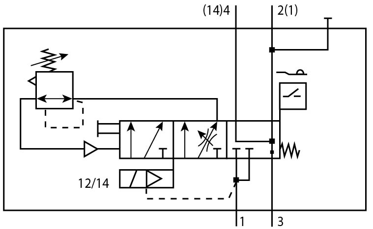
| Основан на стандарте | ISO 5599-2 |
| Тип управления | электрический |
| Тип уплотнения | мягкий |
| Положение при сборке | Любое |
| Ручное дублирование | защелкиваемый, самовозврат с помощью управляющего электрического сигнала |
| Тип конструкции | Золотниковый |
| Тип сброса | механическая пружина |
| Тип пилотного управления | С пилотным управлением |
| Питание пилотного каскада | Внутренний |
| Направление потока | нереверсивный |
| Функция распределителя | Функция повышения давления |
| Функция переключающего элемента | Нормально разомкнутый контакт |
| Примечания по динамизации усилия | Частота переключения мин. 1/месяц |
| Характеристики катушки | 24 V DC: 2.5 W |
| Допустимые колебания напряжения | +/- 10 % |
| Рабочая среда | Сжатый воздух в соответствии с ISO8573-1:2010 [7:4:4] |
| Примечание по рабочей среде | Возможна работа со смазкой (впоследствии требуется постоянная смазка) |
| Классификация сопротивления коррозии CRC | 0 – Нет стойкости к коррозии |
| Класс защиты | IP65, NEMA 4 |
| Электрическое подключение | Кубическая форма, по EN 175301-803, Разъем, Расположение контактов тип С по EN 175301-803 |
| Подключение датчика | 4-пин, M12x1, Разъем |
| Тип крепления | На монтажной плите |
| Подвод пилотного воздуха 12/14 | Монтажная плита размер 1 по ISO 5599-2 |
| Пневматическое подключение, канал 1 | Монтажная плита размер 1 по ISO 5599-2 |
| Пневматическое подключение, канал 2 | Монтажная плита размер 1 по ISO 5599-2 |
| Пневматическое подключение, канал 3 | G1/2 |
| Пневматическое присоединение, канал 4 | Монтажная плита размер 1 по ISO 5599-2 |
| Замечания по материалу | Соответствует директиве по ограничению использования опасных веществ (RoHS) |
| Материал уплотнений | HNBR, NBR |
| Материал корпуса | Алюминиевый сплав |
| Материал винтов | Гальванизирован, Сталь |
| Серия | |
| Путь к PDF документу | typ4445-g_enus.pdf |
| Рабочее давление | max:12 bar, min:2 bar |
| Температура окружающей среды | max:50 °C, min:-5 °C |
| Макс. позитивный тестовый импульс с логикой 0 | min:2500 µs |
| Макс. негативный тестовый импульс с логикой 1 | min:1400 µs |
| Предварительная настройка давления переключения | min:4 bar |
| Стандартный номинальный расход выпуск воздуха | min:3000 l/min |
| Стандартный номинальный расход выпуск воздуха | min:3300 l/min |
| Номинальное рабочее напряжение DC | min:24 V |
| Минимальное количество поставки |






Не можете найти то, что вам нужно?
Заполните форму обратной связи и мы свяжемся с вами в течение 15 минут