Description
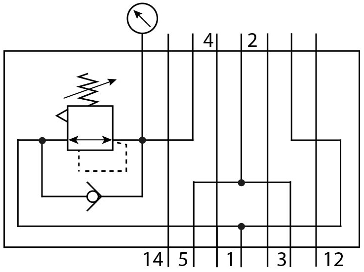
Для пневмоострова VDMA-01/02, стандартная стыковая поверхность по 15407-1, до 6 бар.
Со вторичным сбросом
Для пневмоострова VDMA-01/02, стандартная стыковая поверхность по 15407-1, до 6 бар.
| Weight | 306.3 g |
|---|---|
| Dimensions | 243.0000 × 115.0000 × 45.0000 mm |
| Основан на стандарте | ISO 15407-1 |
| Положение при сборке | Любое |
| Вертикальный монтаж пневмоэлементов | Реверсивный регулятор давления для каналов 2 и 4 |
| Функция контроллера | Постоянная выходного давления, со вторичным сбросом |
| Выбор манометра | возможно |
| Рабочая среда | Сжатый воздух в соответствии с ISO8573-1:2010 [7:4:4] |
| Примечание по рабочей среде | Возможна работа со смазкой (впоследствии требуется постоянная смазка) |
| Классификация сопротивления коррозии CRC | 0 – Нет стойкости к коррозии |
| Класс защиты | IP65, NEMA 4 |
| Вертикальный стыковой тип монтажа | на индивидуальной плите, на коллекторе |
| Присоединение манометра | с удерживающим зажимом |
| Замечания по материалу | Соответствует директиве по ограничению использования опасных веществ (RoHS) |
| Материал панели управления | PA |
| Материал корпуса регулятора | Алюминиевое литье под давление |
| Серия | |
| Путь к PDF документу | iso15407vsva_enus.pdf |
| Диапазон давления управления | max:6 bar, min:0,5 bar |
| Входное давление 1 | max:10 bar, min:0,5 bar |
| Температура окружающей среды | max:50 °C, min:-5 °C |
| Ширина | min:18 mm |
| Минимальное количество поставки |






Не можете найти то, что вам нужно?
Заполните форму обратной связи и мы свяжемся с вами в течение 15 минут