Description
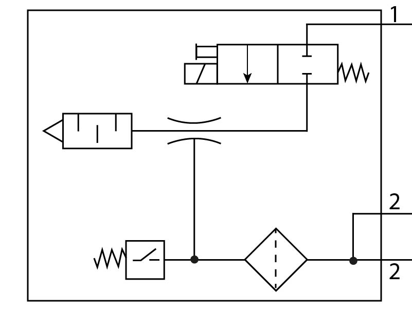
Генератор вакуума Festo VADM-200-P — генератор вакуума без импульса сброса. Устаревшая линейка продукции, для устройств этой серии современная альтернатива — вакуумные генераторы OVEM.
Ключевые особенности
- генераторы вакуума этой серии оснащены встроенным распределителем, который контролирует подачу сжатого воздуха. При подаче электропитания распределитель активируется и поток сжатого воздуха создает вакуум в генераторе, который работает по принципу эжектора;
- при отключении подачи электропитания на распределитель всасывание воздуха прекращается;
- встроенный глушитель уменьшает уровень шума при выхлопе;
- генераторы вакуума VADM имеют компактную и прочную конструкцию;
- встроенный распределитель обеспечивает очень быстрое переключение;
- генераторы также имеют встроенный фильтр для откачиваемого воздуха. У фильтра есть смотровое окошко, с помощью которого можно контролировать уровень загрязненности фильтра.
Рабочая среда — фильтрованный сжатый воздух (в соответствии со стандартом ISO 8573-1:2010 [7:4:4]). Сжатый воздух не должен содержать масло.
Корпус выполнен из алюминиевого сплава, сопла приемника и передатчика — из никелированной латуни. Материал фильтра — полиамид, а корпус фильтра выполнен из поликарбоната. Материал уплотнений — нитриловая резина.
Дроссель
Электрический вкл./выкл. Клапан
Фильтр
Обратный клапан
Вакуумный переключатель
M8x1
4-пин
Со сквозным отверстием
С внутренней резьбой
POM
c UL us – Recognized (OL)











Официальный партнер компании FESTO
Магазин-склад с 4600 позиций в наличии
Всевозможные способы оплаты
Доставка по всей России
Более 24 000 наименований на сайте
Выгодные цены, скидки постоянным клиентам